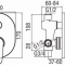
Смеситель для душа Nobili Blues BS101100CR
Доставка в пределах МКАД 800 ₽
Узнать подробнее
| Ширина |
13 см
|
| Защита от обратного потока |
Нет
|
| Ограничение температуры |
есть
|
| Расход воды |
20 л/мин
|
| Страна |
Италия
|
| Цвет |
Хром
|
| Материал |
Латунь
|
| Стиль дизайна |
Современный
|
| Механизм |
Керамический картридж
|
| Монтаж |
Скрытый
|
| Управление |
рычажное
|
| Форма |
круглая
|
| Вес |
1.89 кг
|
| Высота |
17 см
|
| Тип |
Смесители для ванны
|
| Назначение |
Для ванны с душем
|
| Область применения |
Бытовая
|
| Поверхность |
Глянцевая
|
| Стандарт подводки |
1/2
|
| Термостат |
Нет
|
| Тип подводки |
Жесткая
|
Другие товары из коллекции Blues
С этим товаром часто смотрят
В наличии
Смеситель для душа Hansgrohe ShowerSelect Highfow с термостатом полированное золото
Hansgrohe
Просмотренные товары

GAPPO
GPD
Eglo
Wertmark
Rav Slezak
Ideal Standard
Timo